LP8 – A TALE OF TWO NOISES: EASY EQ FOR TAPE HISS REDUCTION
October 28, 2022 § Leave a comment
A technical post to celebrate the fact that last Sunday I was finally able to approve all masters for my 8th album Le jour et la nuit du réel, which will be released next year by Thrill Jockey! I hope this info can be of use to those of you who are self-taught like me, or who have not yet taken the first (or second
) step towards this approach, but are tempted: it is soooo satisfying when you manage to solve a problem in your own studio with your own tools!
Let me start with an analogy. If you live in an environment that’s relatively noisy with traffic, passers-by, your neighbours’ lives, your own doings in your house, all noises become blurred in a sort of noise fog, with nothing grabbing your attention in particular. In contrast, if you live in a very quiet environment, the hum of your fridge or a dog barking in the distance will probably drive you (me) nuts. With music, the same phenomenon happens: with a recording of a full band, almost no one’s going to actively register tape hiss or amp hum on a guitar part, because they are buried amid all the musical sounds. If they do come through slightly, the ear will interpret them as “warmth”/“authenticity”. However, if a record consists of just sparse guitar played through an amp and a Space Echo, the same hiss or hum will be so much louder in the mix – since there is nothing else to “cover” them – that they may start to distract from the music and just sound like a bad engineering job or faulty setup.
As you can see from this screen grab from my DAW Reaper showing the MIDI file created as I played the song live, the Grandmother and the 100% Wet Space Echo soundwaves, the songs where I had to do this EQ job all had in common that they were played by hand at a slow pace, with silence between notes. They also don’t have synthesis action going on: they are made up of very pure tones that stay even during the song. It is during those Grandmother silences that a kind of swishing, ebb-and-flow effect happens with the tape hiss, since the Echo produces a more constant sound that appears louder when the Grandmother is not playing.

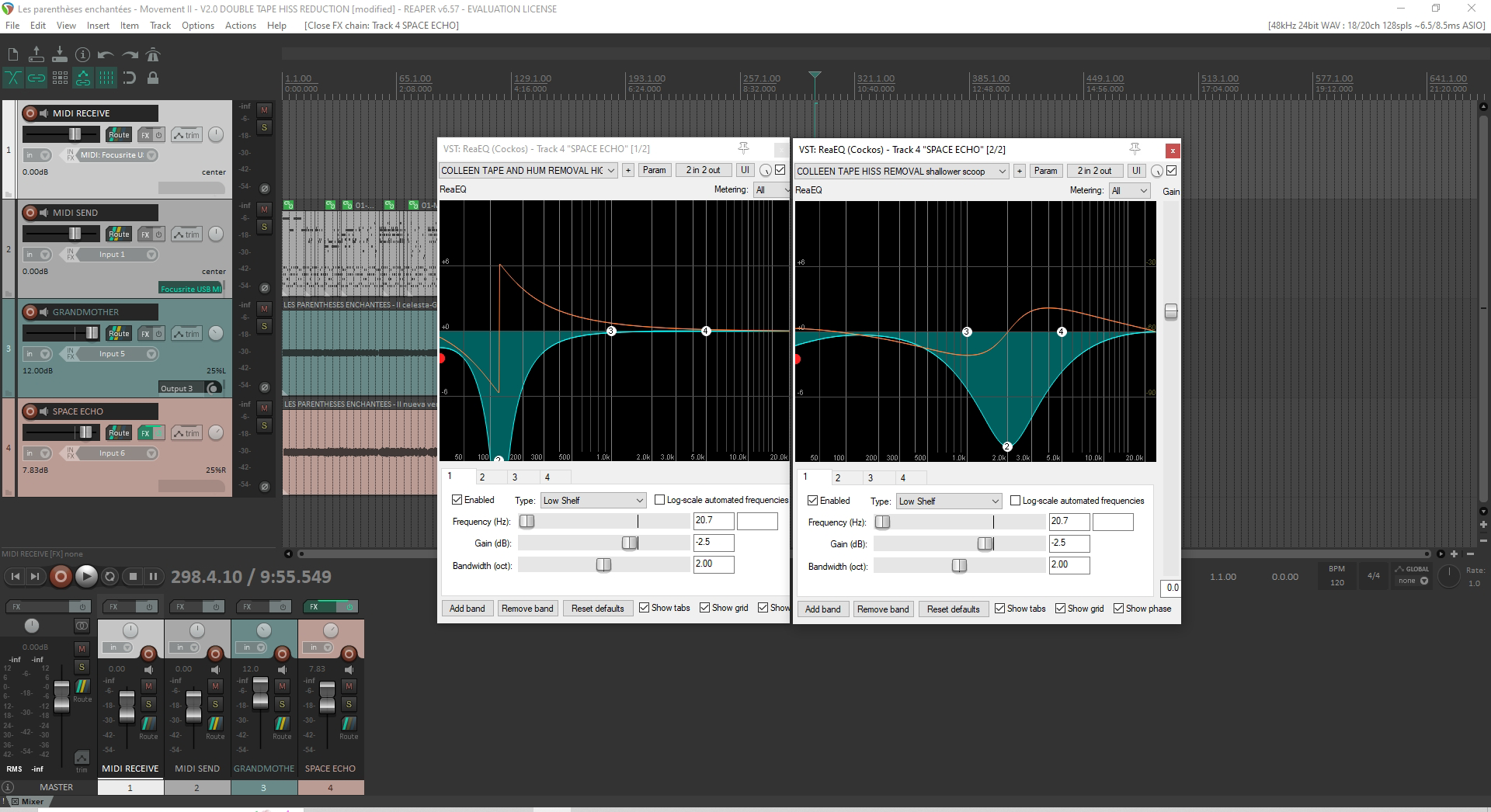
Luckily, the solution is very easy. I had to tailor the approach to each song, but the principle is the same: on a band equalizer (ReaEQ here), choose a notch setting, take that notch to the top of the dB range and sweep the entire frequency spectrum until the noise you wish to remove is the loudest, then take that notch down until you are satisfied with the noise removal. It is then best to replace the notch by a band so that you have a shallower scoop, to avoid phase issues.
I had to do the EQ job on 3 other Movements of the same cycle + another one – all of which required adjustments (see pics):
– Mvt III is the only song on the album that uses 2 Grandmother parts, which means double the amount of hiss… The second part is played about 2 octaves higher than the first and for some reason, on top of the hiss, I also had a slight hum. This time I kept the notch and I managed to get rid of both hiss and hum in one go.

– Mvt II mimics a celesta, and here the best result was obtained by applying both the shallow scoop EQ of Movement I *and* the notch EQ of Movement III’s high-pitched part.

– Mvt IV has lots of dramatic Lowpass Filter Cutoff sweeps, changes of Oscillator octave, etc. Because of this constantly-changing wide spectrum of frequencies, the tape hiss is imperceptible, but I did have to do something about the beginning, in which I slowly open the Filter Cutoff to let the sequence appear: here the tape hiss was extremely perceptible since there is almost no input going to the Echo. The previous EQ settings did not work for the whole song as they “disfigured” it by taking away too many musically useful frequencies, plus it just didn’t make sense to apply EQ where there was no problem. A simple solution was to use the EQ’s Wet parameter envelope, starting with maximum wet then taking it down as the song grows in volume.

– For Mvt I of “Be without being seen”, I had to add an extra band to the shallower scoop to make it even wider.

Huge thanks to my mastering engineer Antony Ryan / RedRedPaw Mastering for all his help on this subject and so many other technical matters.
A TALE OF TWO NOISES: OSTRICH POLITICS IN THE STUDIO.
October 18, 2022 § Leave a comment
We have finally just agreed on the final master version (V3.0) of LP8 with Antony Ryan @redredpaw @the_isan_workshop. I’ve had to modify 15 of the 22 tracks – some several times (photo shows my boys during those last work sessions) – and have just decided to drop a track that was not up to the album standard.

So what happened exactly, given that when I send my “finished” tracks for mastering I don’t exactly anticipate to work on them *that much*? It’s been a case of psychological-factors-meeting-technical-factors… I work on my own, it’s my thing, with all the limitations it entails, but all the joy too: I’m not technically trained, but I love learning and have taught myself so much over the years, with this approach allowing me to make records that feel 100% mine.
With this album, I became fully absorbed by synthesis, and in terms of purely technical matters, well, over the past year I had encountered and solved a couple of hurdles along the way: bought a silent desktop computer just for music-making since my previous laptop made *terrible* noise, finally changed my DAW from T-Rex Acid to awesome Reaper when Acid started to severely malfunction after a Windows update, and also sent my Space Echo for a full revision to its daddies @soundgasltd last year.
When I really started to record this summer, I DID NOT WANT ANY MORE PROBLEMS. So I pretended there weren’t any. I heard there was an annoying sizzling noise coming from my beloved @moogsynthesizers MF-104M Analog delay, but I hoped this would “blend”/disappear in the song itself. Considering that the songs using the MF-104M delay on the record are made up of – roughly – 60-70% MF-104M sound, how the hell did I think this was going to happen?
And sure enough: the first thing that Antony said after hearing the music was in relation to that sizzling noise. The second thing was in relation to something else I had noticed, not a technical problem as such, but a sonic consequence of my choices on some songs: really noticeable tape hiss presence.
TBC…
LP8 LE JOUR ET LA NUIT DU RÉEL IS FINISHED + A TALE OF TWO NOISES: INTRO
October 14, 2022 § Leave a comment
Just how much time I spent working on this album is indicated by the fact that Klee, my younger cat, who barely entered the studio in the more than 2 years since I adopted him and Sol, ended up settling in almost every day over the past couple of weeks.

Given that this is my 8th album it should have come as no surprise to me that when I “finished” it on the night of 28th September – and by this I meant: the songs had been rendered in what was supposed to be a final mix, ready to be mastered – I would still have some tweaking to do. But for some reason I assumed that this time, there would be less tweaking around, probably because this album is instrumental, and my doubts during mastering on my last 4 albums often revolved around vocal mixes.
However, the album contains 22 different tracks, making up 6 “suites” made up of various movements, which is a lot of music to “handle” by any standard, and was a nightmare to tracklist, since I also had to take into account vinyl side lengths, and take care not to split the suites over two sides.
It also holds a sort of inner tension due to the fact that it contains an extremely varied palette of sounds, moods and emotions, corresponding to the “concept” underlying the album (our perception of reality), but coming from a setup reduced to the bones: the @moogsynthesizers Grandmother going into either the MF-104M delay or the @soundgasltd Roland RE-201 Space Echo. What this means sonically is that there is NOWHERE TO HIDE when it comes to flaws in the recordings themselves.
This weekend I will write 2 technical posts to let you know how I dealt with the problems that were uncovered thanks to the first master. It was exhausting but every single minute was worth it. Because yes, mastering can do incredible stuff to audio, but no, it can’t do miracles. A little like a great home designer won’t be able to hide the mould and uneven surfaces on a wall, no matter how exquisite their taste and the fact you budgeted for high quality paint. In other words: it is my job to give a high quality sound to start with, and when I fail… I have to find solutions ![]()